特長・用途
- 高精度・不活性ガス封入
- 大気圧の影響を受けないメカ内蔵
- 基準器用ロードセルとして利用可能
- 引張・圧縮両方向の検査データ添付
- 精度クラス:0.012 %
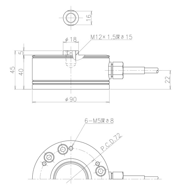
型式・外観寸法

型式名と定格容量・寸法(単位:mm)・固有振動数・質量
| 型式名 | 定格容量 | 固有振動数 | 質量 |
|---|---|---|---|
| BUX-100N | 100 N | 0.9 kHz | 0.9 kg |
| BUX-200N | 200 N | 1.2 kHz | 0.9 kg |
| BUX-500N | 500 N | 1.5 kHz | 0.9 kg |
| BUX-1KN | 1 kN | 2.3 kHz | 0.9 kg |
| BUX-2KN | 2 kN | 2.5 kHz | 1.0 kg |
| BUX-5KN | 5 kN | 3.1 kHz | 1.0 kg |
※全て受注生産品です。
仕様・規格
| 許容過負荷 | 150 %RC |
|---|---|
| 定格出力 | 2 mV/V±0.1 % |
| 直線性 | 0.012 %R.O. |
| ヒステリシス | 0.012 %R.O. |
| 繰り返し性 | 0.01 %R.O. |
| 推奨印加電圧 | 20 V 以内 |
| 許容印加電圧 | 30 V |
| 入力抵抗 | 1050 Ω |
| 出力抵抗 | 1050 Ω |
| 温度補償範囲 | -10~50 ℃ |
| 許容温度範囲 | -30~80 ℃ |
| 零点の温度特性 | 0.0015 %R.O./℃ |
| 出力の温度特性 | 0.0015 %/℃ |
| ケーブル | Φ6 mm-4芯シールドケーブル5 m、先端むき出し |