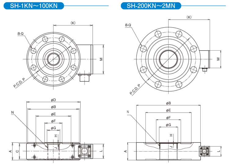
型式・外観寸法

型式名と定格容量・寸法(単位:mm)・固有振動数・質量
| 型式名 | 定格容量 | A | B | C | D | E | F | G (H7) | H/J | K | L | M | N | P | Q | 固有振動数 | 質量 |
|---|---|---|---|---|---|---|---|---|---|---|---|---|---|---|---|---|---|
| SH-1KN | 1 kN | 25 | 65 | 22 | 70 | 41 | 18 | 14 | 0.5/2 | 55 | 22 | 50 | M12×1 | 52 | 8-Φ6.5 | 7.6 kHz | 0.6 kg |
| SH-2KN | 2 kN | 25 | 65 | 22 | 70 | 41 | 18 | 14 | 0.5/2 | 55 | 22 | 50 | M12×1 | 52 | 8-Φ6.5 | 9.9 kHz | 0.6 kg |
| SH-5KN | 5 kN | 25 | 65 | 22 | 70 | 41 | 18 | 14 | 0.5/2 | 55 | 22 | 50 | M12×1 | 52 | 8-Φ6.5 | 11 kHz | 0.6 kg |
| SH-10KN | 10 kN | 25 | 65 | 22 | 70 | 41 | 18 | 14 | 0.5/2 | 55 | 22 | 50 | M12×1 | 52 | 8-Φ6.5 | 16 kHz | 0.6 kg |
| SH-20KN | 20 kN | 30 | 65 | 22 | 70 | 41 | 18 | 14 | 0.5/2 | 55 | 22 | 50 | M12×1 | 52 | 8-Φ6.5 | 21 kHz | 0.7 kg |
| SH-50KN | 50 kN | 30 | 88 | 27 | 92 | 60 | 30 | 22 | 1/2 | 67 | 22 | 50 | M20×1.5 | 74 | 8-Φ9.0 | 18 kHz | 1.1 kg |
| SH-100KN | 100 kN | 34 | 117 | 31 | 121 | 82 | 46 | 34 | 1/2 | 81 | 22 | 50 | M32×2 | 100 | 8-Φ11 | 16 kHz | 2.2 kg |
| SH-200KN | 200 kN | 50 | 166 | – | – | 116 | 60 | 44 | 1/2 | 117 | 40 | 70 | M40×2 | 142 | 8-Φ17 | 12 kHz | 6.0 kg |
| SH-500KN* | 500 kN | 70 | 256 | – | – | 182 | 98 | 75 | 2/2 | 165 | 40 | 70 | M70×2 | 217 | 8-Φ25 | 8.9 kHz | 20 kg |
| SH-1MN* | 1 MN | 96 | 372 | – | – | 272 | 144 | 105 | 2/2 | 225 | 40 | 70 | M100×3 | 322 | 8-Φ34 | 4.7 kHz | 52 kg |
| SH-2MN* | 2MN | 150 | 500 | – | – | 340 | 212 | 150 | 2/10 | 290 | 40 | 70 | M140×3 | 420 | 16-Φ38 | 3.9kHz | 150 kg |
※200 KN以上はカバーが付いておりません。
※未記載の項目確認は取扱説明書又は当社までお問い合わせください。
※*記号の製品は受注生産です。
※定格容量”2 MN”を超える製品の寸法等は当社までお問い合わせください。
仕様・規格
| 許容過負荷 | 150 %R.C. |
|---|---|
| 定格出力 | 0.75 mV/V±1 %(1 kN) 1.0 mV/V±1 %(2 kN) 1.5 mV/V±1 %(5 kN~2MN) |
| 直線性 | 0.15 %R.O. (5 kN~1MN) 0. 2%R.O.(2MN) |
| ヒステリシス | 0.15 %R.O. (5 kN~1MN) 0. 3%R.O.(2MN) |
| 繰り返し性 | 0.1 %R.O. |
| 推奨印加電圧 | 12 V 以内 |
| 許容印加電圧 | 20 V |
| 入力抵抗 | 350 Ω |
| 出力抵抗 | 350 Ω |
| 温度補償範囲 | -10~60 ℃ |
| 許容温度範囲 | -30~80 ℃ |
| 零点の温度特性 | 0.01 %R.O./℃(1 kN,2 kN) 0.005 %R.O./℃(5 kN~2 MN) |
| 出力の温度特性 | 0.01 %/℃ |
| コネクタ(本体) | PRC03-21A10-7F |
| 付属ケーブル | L-A-5コネクタの種類と接続を参照 |