特長・用途
- 高精度・不活性ガス封入
- 大気圧の影響を受けないメカ内蔵
- リモートセンシング対応(6芯シールドケーブル)
- 基準器用ロードセルとして利用可能
- 精度クラス:0.02 %
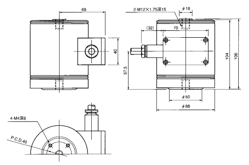
型式・外観寸法

型式名と定格容量・寸法(単位:mm)・固有振動数・質量
| 型式名 | 定格容量 | 固有振動数 | 質量 |
|---|---|---|---|
| DBU-50N | 50 N | 0.2 kHz | 0.2 kg |
| DBU-100N | 100 N | 0.3 kHz | 0.3 kg |
| DBU-200N | 200 N | 0.4 kHz | 0.4 kg |
| DBU-500N | 500 N | 0.8 kHz | 0.8 kg |
| DBU-1KN | 1 kN | 0.8 kHz | 0.8 kg |
| DBU-2KN | 2 kN | 1.6 kHz | 1.6 kg |
| DBU-5KN | 5 kN | 2.0 kHz | 2.0 kg |
※全て受注生産品です。
仕様・規格
| 許容過負荷 | 150 %R.C. |
|---|---|
| 定格出力 | 2 mV/V±1% |
| 直線性 | 0.02 %R.O. |
| ヒステリシス | 0.02 %R.O. |
| 繰り返し性 | 0.01 %R.O. |
| 推奨印加電圧 | 12 V 以内 |
| 許容印加電圧 | 20 V |
| 入力抵抗 | 350 Ω |
| 出力抵抗 | 350 Ω |
| 温度補償範囲 | -10~60 ℃ |
| 許容温度範囲 | -30~80 ℃ |
| 零点の温度特性 | 0.002 %R.O./℃ |
| 出力の温度特性 | 0.002 %/℃ |
| ケーブル | Φ8 mm-6芯シールドケーブル5 m、先端むき出し |