特長・用途
- 高温・低温対応(-40~150 ℃)
- オールステンレス製
- 取付の自由度が高く使い易い
- 耐偏芯特性と耐疲労特性に優れている
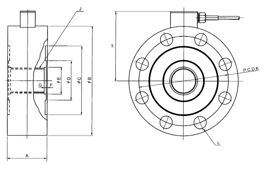
型式・外観寸法

型式名と定格容量・寸法(単位:mm)・固有振動数・質量
| 型式名 | 定格容量 | A | B | C | D | E(H7) | F | G | H | J | K | L | M | N | 固有振動数 | 質量 |
|---|---|---|---|---|---|---|---|---|---|---|---|---|---|---|---|---|
| SHE-5KNLH | 5 kN | 40 | 105 | 65 | 35 | 20 | 1 | 3 | 77 | 25 | 50 | M18×1.5 | 85 | 8-Φ9 | 3.5 kHz | 2.2 kg |
| SHE-10KNLH | 10 kN | 40 | 105 | 65 | 35 | 20 | 1 | 3 | 77 | 25 | 50 | M18×1.5 | 85 | 8-Φ9 | 5.0 kHz | 2.2 kg |
| SHE-20KNLH | 20 kN | 40 | 105 | 65 | 35 | 20 | 1 | 3 | 77 | 25 | 50 | M18×1.5 | 85 | 8-Φ9 | 7.6 kHz | 2.2 kg |
| SHE-50KNLH | 50 kN | 50 | 120 | 74 | 40 | 26 | 1 | 4 | 86 | 25 | 50 | M24×1.5 | 95 | 8-Φ11 | 8.8 kHz | 3.7 kg |
| SHE-100KNLH | 100 kN | 65 | 160 | 100 | 60 | 40 | 1 | 5 | 108.5 | 30 | 55 | M36×2 | 130 | 8-Φ18 | 7.0 kHz | 8.5 kg |
| SHE-200KNLH | 200 kN | 80 | 220 | 140 | 80 | 55 | 1 | 5 | 140.5 | 30 | 55 | M50×2 | 180 | 8-Φ26 | 5.6 kHz | 20 kg |
※Eの公差寸法は”H7″となります。
※未記載の項目確認は取扱説明書又は当社までお問い合わせください。
※全て受注生産品です。
仕様・規格
| 許容過負荷 | 150 %R.C. |
|---|---|
| 定格出力 | 2 mV/V |
| 直線性 | 0.2 %RO |
| ヒステリシス | 0.2 %RO |
| 繰り返し性 | 0.1 %RO |
| 推奨印加電圧 | 10 V 以内 |
| 許容印加電圧 | 15 V |
| 入力抵抗 | 350 Ω |
| 出力抵抗 | 350 Ω |
| 温度補償範囲 | -40~150 ℃ |
| 許容温度範囲 | -40~180 ℃ |
| 零点の温度特性 | 0.02 %R.O./℃ (20~150 ℃) |
| 0.05 %R.O./℃ (-40~20 ℃) | |
| 出力の温度特性 | 0.05 %/℃ |
| ケーブル | Φ6 mm-4芯シールド耐熱ケーブル5 m、先端むき出し |