特長・用途
- 温度範囲150℃まで計測が可能
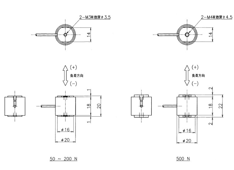
- 広範囲な定格容量に対応(50N~500 N)
- 小型・軽量
- 狭いスペースに設置可能
- 精度クラス:0.1 %
型式・外観寸法

| 形式名 | 定格容量 | 質量 |
|---|---|---|
| RCT-50NMH | 10 N | g |
| RCT-100NMH | 100 N | g |
| RCT-200NMH | 200 N | g |
| RCT-500NMH | 500 N | g |
※質量はケーブルを含みません。
※全て受注生産品です。
仕様・規格
| 許容過負荷 | 120 %R.C. |
|---|---|
| 定格出力 | 約1.5 mV/V |
| 直線性 | 0.1 %R.O. |
| ヒステリシス | 0.1 %R.O. |
| 繰り返し性 | 0.1%R.O. |
| 推奨印加電圧 | 5 V 以内 |
| 許容印加電圧 | 8 V |
| 入力抵抗 | 350 Ω |
| 出力抵抗 | 350 Ω |
| 温度補償範囲 | 0~150 ℃ |
| 許容温度範囲 | -100~60 ℃ |
| 零点の温度影響 | 0.05 %R.O./℃ |
| 出力の温度影響 | 0.05 %/℃ |
| ケーブル | Φ2 mm 4芯シールドケーブル3 m、先端むき出し |