特長・用途
- ボタン型・超小型ロードセル
- 広範囲な定格容量(10 N~2kN)
- 精度クラス:0.3 %R.O.
- 用途:プレス圧管理:産業機械組込…
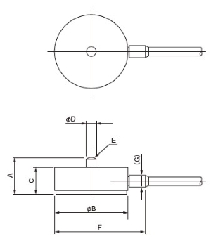
型式・外観寸法

型式名と定格容量・寸法(単位:mm)・固有振動数・質量
| 型式名 | 定格容量 | A | B | C | D | E | F | G | 固有振動数 | 質 量 |
|---|---|---|---|---|---|---|---|---|---|---|
| MRD-10NC | 10 N | 4 | 12 | 3.3 | 1.8 | SR2 | 17 | 2.3 | 16 kHz | 2.8 g |
| MRD-20NC | 20 N | 4 | 12 | 3.3 | 1.8 | SR2 | 17 | 2.3 | 22 kHz | 2.8 g |
| MRD-50NC | 50 N | 4 | 12 | 3.3 | 1.8 | SR2 | 17 | 2.3 | 33 kHz | 2.8 g |
| MRD-100NC | 100 N | 9.5 | 20 | 7.5 | 2.5 | SR4 | 25 | 3 | 21 kHz | 5.2 g |
| MRD-200NC | 200 N | 9.5 | 20 | 7.5 | 2.5 | SR4 | 25 | 3 | 28 kHz | 5.2 g |
| MRD-500NC | 500 N | 9.5 | 20 | 7.5 | 2.5 | SR4 | 25 | 3 | 41 kHz | 5.2 g |
| MRD-1KNC | 1 kN | 9.5 | 20 | 7.5 | 2.5 | SR4 | 25 | 3 | 59 kHz | 5.2 g |
| MRD-2KNC | 2 kN | 9.5 | 20 | 7.5 | 2.5 | SR4 | 25 | 3 | 85 kHz | 5.2 g |
※質量はケーブルを含みません。
仕様・規格
| 許容過負荷 | 150 %R.C. |
|---|---|
| 定格出力 | 1 mV/V±20 % |
| 直線性 | 0.3 %R.O. |
| ヒステリシス | 0.3 %R.O. |
| 繰り返し性 | 0.2 %R.O. |
| 推奨印加電圧 | 4 V 以内 |
| 許容印加電圧 | 6 V |
| 入力抵抗 | 350 Ω |
| 出力抵抗 | 350 Ω |
| 温度補償範囲 | 0~60 ℃ |
| 許容温度範囲 | -10~60 ℃ |
| 零点の温度影響 | 0.2 %R.O./℃ |
| 出力の温度影響 | 0.1 %/℃ |
| ケーブル | Φ2 mm-4芯シールドケーブル3 m、先端むき出し(10N~50N) |
| Φ2.8 mm-4芯シールドケーブル3 m、先端むき出し(100N~2kN) |
※ケーブルについて:
本ロードセルには可とう性に優れた極細横巻シールドケーブルを採用しておりますが、極細ケーブルの断線を避けるためセンサーが動く部位に装着する場合は中継端子を介してロボットケーブル等への接続を推奨いたします。 尚、ロードセルの直出しケーブルは3 mとなっておりますが、ケーブル長さを変更してご使用いただいても特に問題はありません。