特長・用途
- 高容量・汎用タイプ
- 小型・軽量のため取扱いが容易
- 建設機械・農業機械等の牽引力測定に最適
- 精度クラス:0.2 %
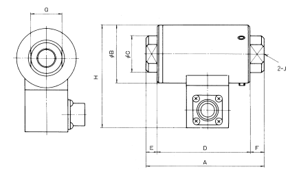
型式・外観寸法

型式名と定格容量・寸法(単位:mm)・固有振動数・質量
| 型式名 | 定格容量 | A | B | C | D | E | F | G | H | J | 固有振動数 | 質量 |
|---|---|---|---|---|---|---|---|---|---|---|---|---|
| RCT-10KN | 10 kN | 83 | 41 | 24 | 65 | 8 | 10 | 22 | 74 | M14×1.5深15 | 8.2Hz | 0.7kg |
| RCT-20KN | 20 kN | 98 | 50 | 29.5 | 73 | 11 | 14 | 26 | 83 | M18×1.5深22 | 9.2Hz | 1.1kg |
| RCT-50KN | 50 kN | 152 | 52 | 44.5 | 85 | 36 | 31 | 41 | 85 | M28×1.5深34 | 6.3Hz | 1.6kg |
| RCT-100KN | 100 kN | 200 | 70 | 59 | 110 | 47 | 43 | 4-Φ8 注1 | 103 | M40×1.5深45 | 5.3Hz | 2.6kg |
| RCT-200KN | 200 kN | 270 | 96 | 84 | 145 | 65 | 60 | 4-Φ10 注1 | 129 | M54×2深65 | 3.8Hz | 8.5kg |
| RCT-500KN* | 500 kN | 420 | 146 | 129 | 220 | 102 | 98 | 4-Φ15 注1 | 175 | M84×2.5深100 | 2.5Hz | 22kg |
| RCT-1MN* | 1 MN | 560 | 195 | 174 | 290 | 140 | 130 | 4-Φ20 注1 | 225.5 | M110×3深130 | 2.3Hz | 70kg |
注1 G寸法(スパナ掛け)100 kN以上は引掛けスパナ用の穴径となります。
※定格容量500kN,1MNの試験成績書は圧縮校正データのみとなります。(引張は別途ご相談)
※未記載の項目確認は取扱説明書又は当社までお問い合わせください。
※*記号は受注生産品です。
仕様・規格
| 許容過負荷 | 150 %R.C. |
|---|---|
| 定格出力 | 1.5 mV/V±1 % |
| 直線性 | 0.2 %R.O. |
| ヒステリシス | 0.2 %R.O. |
| 繰り返し性 | 0.1 %R.O. |
| 推奨印加電圧 | 12 V 以内 |
| 許容印加電圧 | 20 V |
| 入力抵抗 | 350 Ω |
| 出力抵抗 | 350 Ω |
| 温度補償範囲 | -10~60 ℃ |
| 許容温度範囲 | -30~80 ℃ |
| 零点の温度特性 | 0.01 %R.O./℃ |
| 出力の温度特性 | 0.01 %/℃ |
| コネクタ | PRC03-21A10-7F |
| 付属ケーブル | L-A-5 コネクタの種類と接続を参照 |