特長・用途
- 容量及び寸法に応じたカスタム設計製作
- 設置環境に応じて溶接構造または密封処理対策
- 製作可能な容量:1 MN~20 MN
- 用途:大型圧延機・鍛造プレス…
- 精度クラス:1 %
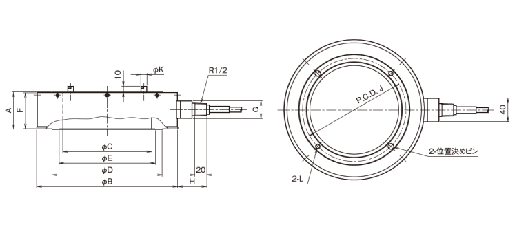
型式・外観寸法

型式名と定格容量・寸法(単位:mm)・固有振動数・質量
| 型式名 | 定格容量 | A | B | C | D | E | F | G | H | J | K | L | 固有振動数 | 質 量 |
|---|---|---|---|---|---|---|---|---|---|---|---|---|---|---|
| HCW-1MN* | 1 MN | 64 | 241 | 152 | 188.6 | 164.6 | 62 | 30 | 49.5 | 177 | 10 | M8深さ10 | 21.9 kHz | 8 kg |
| HCW-2MN* | 2 MN | 70 | 355 | 230 | 295 | 265 | 68 | 34 | 62.5 | 280 | 10 | M8深さ16 | 19.0 kHz | 24 kg |
| HCW-5MN* | 5 MN | 70 | 355 | 230 | 316 | 240 | 68 | 34 | 62.5 | 280 | 20 | M10深さ15 | 27.3 kHz | 24 kg |
※全て受注生産品です。
※上記の定格容量は弊社で標準的寸法を掲げたものです。一般的には圧延機の荷重検出部位に応じ、内径・外径・ケーブル取出し等を決定する必要があります。 詳しくは弊社営業所までお問い合わせをお願い致します。
仕様・規格
| 許容過負荷 | 150 %R.C. |
|---|---|
| 定格出力 | 1 mV/V±1% |
| 直線性 | 1 %R.O. |
| ヒステリシス | 1 %R.O. |
| 繰り返し性 | 0.3 %R.O. |
| 推奨印加電圧 | 12 V 以内 |
| 許容印加電圧 | 20 V |
| 入力抵抗 | 350 Ω |
| 出力抵抗 | 350 Ω |
| 温度補償範囲 | -10~60 ℃ |
| 許容温度範囲 | -30~80 ℃ |
| 零点の温度影響 | 0.01 %R.O./℃ |
| 出力の温度影響 | 0.01 %/℃ |
| ケーブル | Φ8 mm-4芯シールドケーブル10 m、先端むき出し |