特長・用途
- 高精度・高出力・汎用タイプ
- 小型・軽量・ローコスト
- 特殊防湿処理により高安定性を確保
- 引張・圧縮の両用可能
- 用途:ホッパー&パッカー計量器・試験機・産業機械…
- 精度クラス:0.02 %
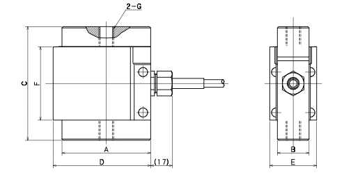
型式・外観寸法

型式名と定格容量・寸法(単位:mm)・固有振動数・質量
| 型式名 | 定格容量 | A | B | C | D | E | F | G | 固有振動数 | 質 量 |
|---|---|---|---|---|---|---|---|---|---|---|
| DB-200N | 200 N | 70 | 25 | 90 | 77 | 37 | 58 | M12×1.75深18 | 0.4 kHz | 0.4 kg |
| DB-500N | 500 N | 70 | 25 | 90 | 77 | 37 | 58 | M12×1.75深18 | 0.8 kHz | 0.4 kg |
| DB-1KN | 1 kN | 70 | 25 | 90 | 77 | 37 | 58 | M12×1.75深18 | 1.3 kHz | 0.4 kg |
| DB-2KN | 2 kN | 70 | 25 | 90 | 77 | 37 | 58 | M12×1.75深18 | 1.0 kHz | 1.0 kg |
| DB-5KN | 5 kN | 70 | 25 | 90 | 77 | 37 | 58 | M12×1.75深18 | 2.4 kHz | 1.0 kg |
| DB-10KN | 10 kN | 80 | 30 | 108 | 87 | 42 | 71 | M16×2深20 | 2.5 kHz | 1.6 kg |
| DB-20KN | 20 kN | 80 | 30 | 108 | 87 | 42 | 71 | M16×2深20 | 4.5 kHz | 1.6 kg |
仕様・規格
| 許容過負荷 | 150 %R.C. |
|---|---|
| 定格出力 | 3 mV/V±1 % |
| 直線性 | 0.02 %R.O. |
| ヒステリシス | 0.02 %R.O. |
| 繰り返し性 | 0.01 %R.O. |
| 推奨印加電圧 | 12 V 以内 |
| 許容印加電圧 | 20 V |
| 入力抵抗 | 350 Ω |
| 出力抵抗 | 350 Ω |
| 温度補償範囲 | -10~60 ℃ |
| 許容温度範囲 | -30~80 ℃ |
| 零点の温度影響 | 0.002 %R.O./℃ |
| 出力の温度影響 | 0.002 %/℃ |
| ケーブル | Φ6 mm-4芯シールドケーブル5 m、先端むき出し |