特長・用途
- 高信頼、汎用タイプ
- 材料試験機に最適
- 豊富な納入実績・ローコスト
- 広範囲な定格容量(50 N~5 kN)
- 圧縮用ロードボタン付属
- 精度クラス:0.15 %
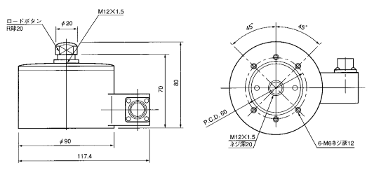
型式・外観寸法

型式名と定格容量・寸法(単位:mm)・固有振動数・質量
| 型式名 | 定格容量 | 固有振動数 | 質量 |
|---|---|---|---|
| RCB-50N | 50 N | 0.3 kHz | 2.0 kg |
| RCB-100N | 100 N | 0.6 kHz | 2.1 kg |
| RCB-200N | 200 N | 0.9 kHz | 2.1 kg |
| RCB-500N | 500 N | 1.3 kHz | 2.1 kg |
| RCB-1KN | 1 kN | 1.9 kHz | 2.1 kg |
| RCB-2KN | 2 kN | 2.5 kHz | 2.3 kg |
| RCB-5KN | 5 kN | 4.7 kHz | 2.3 kg |
仕様・規格
| 許容過負荷 | 150 %R.C. |
|---|---|
| 定格出力 | 1.5 mV/V±1 % |
| 直線性 | 0.15 %R.O. |
| ヒステリシス | 0.15 %R.O. |
| 繰り返し性 | 0.1 %R.O. |
| 推奨印加電圧 | 10 V 以内 |
| 許容印加電圧 | 15 V |
| 入力抵抗 | 350 Ω |
| 出力抵抗 | 350 Ω |
| 温度補償範囲 | -10~60 ℃ |
| 許容温度範囲 | -30~80 ℃ |
| 零点の温度特性 | 0.01 %R.O./℃ |
| 出力の温度特性 | 0.01 %/℃ |
| コネクタ | レセプタクル/PRC03-21A10-7F |
| 付属ケーブル | L-A-5、コネクタの種類と接続を参照 |
| 付属アクセサリ | TBB-12 |
注)このタイプのロードセルは圧縮検定のみデータが添付されますが引張用としてもご利用いただけます。
なお、当社の本機種のバックデータから引張感度と圧縮感度は、ほぼ同じ(0.2 %以内)ですが必要に応じて引張負荷検定を実施可能です(有償)。