特長・用途
- 広範囲な定格容量に対応(10 N~5 KN)
- 高精度・小型・引張圧縮両用
- 耐偏芯特性が優れている(最大離脱:25 mm)
- 引張圧縮における出力差 0.1 %以内
- 高精度試験・検査機器用として最適
- 精度クラス:0.05 %
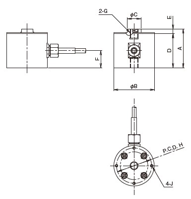
型式・外観寸法

型式名と定格容量・寸法(単位:mm)・固有振動数・質量
| 型式名 | 定格容量 | A | B | C | D | E | F | G | H | J | 固有振動数 | 質量 |
|---|---|---|---|---|---|---|---|---|---|---|---|---|
| RCT-10NE | 10 N | 57 | 60 | 20 | 52 | 5 | 25 | M12×1.5深15 | 52 | M4深7 | 0.2 kHz | 0.6 kg |
| RCT-20NE | 20 N | 57 | 60 | 20 | 52 | 5 | 25 | M12×1.5深15 | 52 | M4深7 | 0.3 kHz | 0.6 kg |
| RCT-50NES | 50 N | 57 | 60 | 20 | 52 | 5 | 25 | M12×1.5深15 | 52 | M4深7 | 0.4 kHz | 0.6 kg |
| RCT-100NES | 100 N | 57 | 60 | 20 | 52 | 5 | 25 | M12×1.5深15 | 52 | M4深7 | 0.5 kHz | 0.6 kg |
| RCT-200NES | 200 N | 57 | 60 | 20 | 52 | 5 | 25 | M12×1.5深15 | 52 | M4深7 | 0.7 kHz | 0.6 kg |
| RCT-500NES | 500 N | 57 | 60 | 20 | 52 | 5 | 25 | M12×1.5深15 | 52 | M4深7 | 1.1 kHz | 0.6 kg |
| RCT-1KNES | 1 kN | 57 | 60 | 20 | 52 | 5 | 25 | M12×1.5深15 | 52 | M4深7 | 1.7 kHz | 0.6 kg |
| RCT-2KNES | 2 kN | 57 | 60 | 20 | 52 | 5 | 25 | M12×1.5深15 | 52 | M4深7 | 1.8 kHz | 0.6 kg |
| RCT-5KNE | 5 kN | 80 | 70 | 20 | 75 | 5 | 35 | M12×1.5深20 | 60 | M6深11 | 1.9 kHz | 1.6 kg |
仕様・規格
| 許容過負荷 | 150 %R.C. |
|---|---|
| 定格出力 | 1.5 mV/V±1 % |
| 直線性 | 0.05 %R.O. |
| ヒステリシス | 0.05 %R.O. |
| 繰り返し性 | 0.03 %R.O. |
| 推奨印加電圧 | 12 V 以内 |
| 許容印加電圧 | 20 V |
| 入力抵抗 | 350 Ω |
| 出力抵抗 | 350 Ω |
| 温度補償範囲 | -10~60 ℃ |
| 許容温度範囲 | -30~80 ℃ |
| 零点の温度特性 | 0.005 %R.O./℃ |
| 出力の温度特性 | 0.005 %/℃ |
| ケーブル | Φ6 mm-4芯シールドケーブル5 m、先端コネクタ付 |
| コネクタ | PRC03-12A10-7M |