特長・用途
- 高精度・高安定タイプ
- 圧力導入型、気密構造
- オールステンレス製
- 精度クラス:0.15 %R.O.(一部定格を除く)
- 試験機等の高精度油圧検出に最適
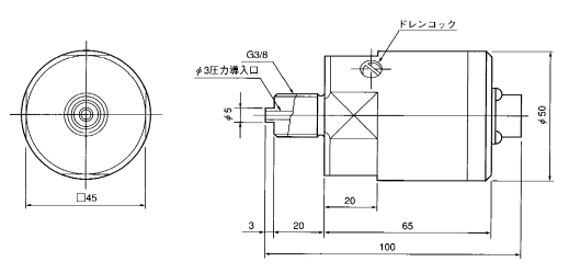
型式・外観寸法

形式名と定格容量・固有振動数・質量
| 形式名 | 定格容量 | 固有振動数 | 質量 |
|---|---|---|---|
| HVS-500KPA | 500 kPa(5.099 kgf/cm2) | 10 kHz | 0.8 kg |
| HVS-1MPA | 1 MPa(10.20 kgf/cm2) | 16 kHz | 0.8 kg |
| HVS-2MPA | 2 MPa(20.39 kgf/cm2) | 20 kHz | 0.8 kg |
| HVS-5MPA | 5 MPa(50.99 kgf/cm2) | 34 kHz | 0.8 kg |
| HVS-10MPA | 10 MPa(102.0 kgf/cm2) | 44 kHz | 0.8 kg |
| HVS-20MPA | 20 MPa(203.9 kgf/cm2) | 68 kHz | 0.8 kg |
| HVS-25MPA | 25 MPa(254.9 kgf/cm2) | 71 kHz | 0.8 kg |
| HVS-30MPA | 30 MPa(306.0 kgf/cm2) | 80 kHz | 0.8 kg |
| HVS-50MPA | 50 MPa(509.9 kgf/cm2) | 92 kHz | 0.8 kg |
※質量は中継ケーブルを含みません。
※固有振動数は弾性体単体での計算値です。圧力応答性は圧力媒体等に依存されます。
仕様・規格
| 許容過負荷 | 120 %R.C. |
|---|---|
| 定格出力 | 1.0 mV/V±1 % (500 kPa,1 MPa) |
| 1.5 mV/V±1 % (2 MPa~50 MPa) | |
| 直線性 | 0.3 %R.O. (500 kPa,1 MPa) |
| 0.15 %R.O. (2 MPa~50 MPa) | |
| ヒステリシス | 0.3 %R.O. (500 kPa,1 MPa) |
| 0.15 %R.O. (2 MPa~50 MPa) | |
| 繰り返し性 | 0.2 %R.O. (500 kPa,1 MPa) |
| 0.1 %R.O. (2 MPa~50 MPa) | |
| 推奨印加電圧 | 10 V 以内 |
| 許容印加電圧 | 15 V |
| 入力抵抗 | 350 Ω |
| 出力抵抗 | 350 Ω |
| 温度補償範囲 | -10~60 ℃ |
| 許容温度範囲 | -20~80 ℃ |
| 零点の温度影響 | 0.01 %R.O./℃ (500 kPa,1 MPa) |
| 0.005 %R.O./℃ (2 MPa~50 MPa) | |
| 出力の温度影響 | 0.01 %/℃ |
| コネクタ | レセプタクル/PRC03-21A10-7F |
| 付属ケーブル | L-A-5、コネクタの種類と接続を参照 |