ロードセルの両端に装着し引張り負荷時にロードセルに曲げが加わらないようにします。
適用機種:SHU型、SHE型、DBU型、RCT型、RTD型、RTU型、RTE型、DB型、DBS型
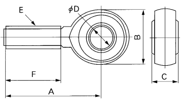
外観

寸法
単位:mm
| 型式名 | A | B | C(0/-0.13) | ΦD(h7) | E | F |
|---|---|---|---|---|---|---|
| TEA-6 | 39.5 | 20.5 | 11 | 6 | M6×1 | 16 |
| TEA-12 | 62 | 34 | 16 | 12 | M12×1.75 | 37 |
| TEA-16 | 66.5 | 39 | 19 | 16 | M16×2 | 39.5 |
| TEA-24 | 105 | 70 | 35 | 25 | M24×2 | 59 |
| TEA-39*1 | 173 | 100 | 43*2 | 40 | M39×2 | 80 |
| TEA-50*1 | 231 | 120 | 53*2 | 50 | M50×2 | 105 |
| TEB-12 | 75 | 26 | 14 | 10 | M12×1.5 | 24 |
| TEB-14 | 94.5 | 34 | 16 | 12 | M14×1.5 | 26 |
| TEB-18*1 | 116 | 39 | 19 | 16 | M18×1.5 | 37 |
| TEB-20*1 | 165 | 70 | 35 | 25 | M20×1.5 | 39 |
| TEB-24*1 | 188 | 70 | 35 | 25 | M24×1.5 | 62 |
| TEB-28*1 | 177 | 70 | 35 | 25 | M28×1.5 | 51 |
| TEB-32*1 | 262 | 100 | 43 | 40 | M32×2 | 52 |
| TEB-36*1 | 277 | 100 | 43 | 40 | M36×2 | 67 |
| TEC-12 | 99.5 | 34 | 16 | 12 | M12×1 | 31 |
| TEC-18 | 129 | 39 | 19 | 16 | M18×1.5 | 50 |
| TEC-36*1 | 277 | 100 | 43*2 | 40 | M36×2 | 67 |
| TEC-40*1 | 280 | 100 | 43*2 | 40 | M40×1.5 | 69 |
| TEC-48*1 | 364 | 120 | 53*2 | 50 | M48×3 | 89 |
| TEC-54*1 | 366 | 120 | 53*2 | 50 | M54×2 | 91 |
| TEE-40*1 | 346.5 | 120 | 53 | 50 | M40×2 | 71.5 |
| TEF-12*3 | 50 | 34 | 16 | 12 | M12×1.25 | 24 |
※*1 記号の製品は受注生産です。
※*2 公差は-0.25となります。
※*3 雌ネジです。
※変換器のネジ寸法に合わせるため、接続金具を使用しているものがあります。