特長・用途
- 薄型構造なので設置場所を選ばない
- 定格負荷時のねじれ角が小さいためラジアル方向の影響も受けにくい
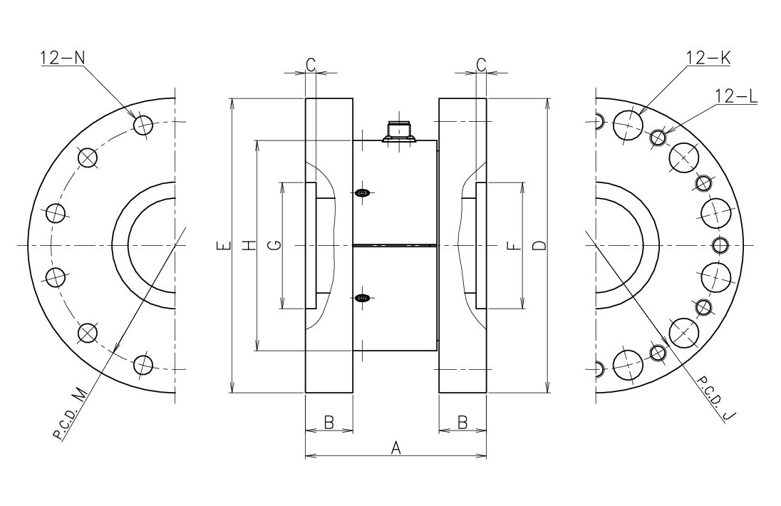
型式・外観寸法

形式名と定格・寸法(単位:mm)・質量
| 形式名 | 定格容量 | A | B | C | D | E | F/G | H | J/M | N | L | K | 質量 |
|---|---|---|---|---|---|---|---|---|---|---|---|---|---|
| TPD-500N | 500 N•m | 86±0.3 | 22.5 | 5 | 140 | 140 | 60 | 100 | 118 | 9 | M8 | 14 | 4.6kg |
| TPD-1KN | 1 kN•m | 86±0.3 | 22.5 | 5 | 140 | 140 | 60 | 100 | 118 | 9 | M8 | 14 | 4.6kg |
| TPD-2KN | 2 kN•m | 95 | 25 | 5 | 180 | 180 | 80 | 130 | 155 | 11 | M10 | 17 | 8.8kg |
| TPD-5KN | 5 kN•m | 120 | 30 | 5 | 245 | 245 | 130 | 180 | 210 | 13 | M12 | 19 | 18.5kg |
| TPD-10KN | 10 kN•m | 140 | 35 | 5 | 295 | 295 | 160 | 215 | 255 | 15 | M14 | 22 | 30.5kg |
※本製品は全て受注生産品です。
※D の公差寸法は”g6″、F/G の公差寸法は”h7″となります。
仕様・規格
| 許容過負荷 | 150 %R.C. |
|---|---|
| 定格出力 | 1.0 mV/V±1 % |
| 直線性 | 0.2 %R.O. |
| ヒステリシス | 0.2 %R.O. |
| 繰り返し性 | 0.1 %R.O. |
| 推奨印加電圧 | 12 V 以内 |
| 許容印加電圧 | 20 V |
| 入力抵抗 | 350 Ω |
| 出力抵抗 | 350 Ω |
| 補償温度範囲 | -10~60 ℃ |
| 許容温度範囲 | -30~80 ℃ |
| 零点の温度影響 | 0.01 %R.O./℃ |
| 出力の温度影響 | 0.01 %R.O./℃ |
| コネクタ | R03-RB5F |
| 付属ケーブル | Φ4mm 4新ケーブル5m (コネクタ 片側R03-PB5M、片側PRC03-12A10-7M) コネクタの種類と接続を参照 |