特長・用途
- 超微小トルク(1~100 N•cm)を精度良く検出可能
- オールアルミ構造で小形・軽量(約200 g)
- 用途:材料試験機・検査機器等
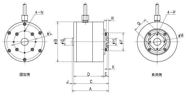
型式・外観寸法

型式名と定格容量・質量
| 形式名 | 定格容量 | A | B | C | D | E | F | G/H | J/K | L | M | N/P | Q | R | 質量 |
|---|---|---|---|---|---|---|---|---|---|---|---|---|---|---|---|
| TP-1NCL | 1 N•cm | 50 | 55 | 48 | 41 | 7 | 25 | 10 | 2 | 30 | 20 | M2深4 | 21 | 3 | 200 g |
| TP-2NCL | 2 N•cm | 50 | 55 | 48 | 41 | 7 | 25 | 10 | 2 | 30 | 20 | M2深4 | 21 | 3 | 200 g |
| TP-5NCL | 5 N•cm | 56 | 55 | 54 | 47 | 7 | 25 | 10 | 2 | 30 | 20 | M2深4 | 21 | 3 | 250 g |
| TP-10NCL | 10 N•cm | 56 | 55 | 54 | 47 | 7 | 25 | 10 | 2 | 30 | 20 | M2深4 | 21 | 3 | 250 g |
| TP-20NCL | 20 N•cm | 60 | 55 | 58 | 51 | 7 | 25 | 10 | 2 | 30 | 20 | M2深4 | 21 | 3 | 280 g |
| TP-50NCL | 50 N•cm | 65 | 60 | 63 | 56 | 7 | 25 | 10 | 2 | 30 | 20 | M2深4 | 21 | 3 | 300 g |
| TP-100NCL | 100 N•cm | 65 | 60 | 63 | 56 | 7 | 25 | 10 | 2 | 30 | 20 | M2深4 | 21 | 3 | 300 g |
※本製品は全て受注生産品です。
仕様・規格
| 許容過負荷 | 150 %R.C. |
|---|---|
| 定格出力 | 1.0 mV/V(公称値) |
| 直線性 | 0.3 %R.O. |
| ヒステリシス | 0.3 %R.O. |
| 繰り返し性 | 0.1 %R.O. |
| 推奨印加電圧 | 4 V 以内 |
| 許容印加電圧 | 6 V |
| 入力抵抗 | 350 Ω |
| 出力抵抗 | 350 Ω |
| 補償温度範囲 | -10~40 ℃ |
| 許容温度範囲 | -20~60 ℃ |
| 零点の温度影響 | 0.03 %R.O./℃ |
| 出力の温度影響 | 0.05 %R.O./℃ |
| ケーブル | Φ4 mm-4芯シールド 3 m、先端コネクタ付 |
| 先端コネクタ | プラグ/PRC03-12A10-7M |