特長・用途
- 焦点型6分力ロードセルの構造を採用した重心位置測定装置を実現
- 焦点型の利点により検出部のセンターを正確に位置出しできることで、より正確な重心位置を計測することが可能
- 目的に応じた寸法・仕様をご提案
概要
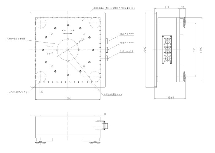
- 検出部(載荷台)と計測ユニット(アンプ、パソコン、専用ソフトウェア)が一式セットとなった重心位置測定装置です。
- 検出部には焦点型6分力ロードセルが採用され、検出される3成分(Fz,Mx,My)を利用して、重心位置を測定します。
- これにより、複雑な計算をすることなく、容易に重心位置測定を実現します。
型式・外観寸法

| 仕様 | 規格 |
|---|---|
| 型式名 | WME-500NC |
| 測定質量範囲 | 5~50 kg |
| 載荷台寸法 | 350×350 mm |
| 検出部質量 | 30 kg |
測定範囲・寸法は実績参考です。お客様の用途・目的に合わせてカスタマイズします。
※全て受注生産品です。
仕様・規格
| 仕 様 | 規 格 |
|---|---|
| 指示計最小表示 | 重量:1 g、重心位置:0.1 mm |
| 測定精度 | X座標±0.5 mm、Y座標±0.5 mm (測定範囲質量において) |
| 測定平面選択 | XY平面、XZ平面、YZ平面を選択可能 (製品の平面管理はお客様で作業) |
| 通信仕様 | ボーレート:19200bps キャラクタ:8bit ストップビット:1bit パリティビット:偶数 デリミタ:CR |
| データ保存 | 型式:CSV 内容:測定日時、型式、シリアルナンバー、製品原点、指示値、質量、 定盤中心からの重心座標、製品原点からの重心座標 |
| 設定 | データとする平均回数(1データあたりの測定データ数)の設定 グラフスケール(±)の設定 保存先ディレクトリパス(CSV データ)の設定 干渉補正の設定 |
| 対象OS | Windows7,Windows10.NetFrameWork 4.5以上 |
| ドライバ | USB-シリアル変換ケーブルドライバ |
| USB | USB 2.0 |
| 電源 | AC 100V 50Hz / 60Hz |
| 使用温度 | -10~40 ℃ |
| 保存温度 | -20~60 ℃ |
| 使用湿度 | 85%R以下(結露不可) |