特長・用途
- 取扱いが容易なダイヤルゲージ式(1/100 mm)
- カンチレバー式のため経時的変化が少ない
- 補償回路挿入のため温度特性に優れている
- ダイヤルゲージ目盛を用いた簡易的校正が可能(ダイヤル目盛は校正参考値)
- 精度クラス:0.5 %R.O.
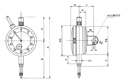
型式・外観寸法

形式名と定格変位・寸法(単位:mm)・測定反力・質量
| 形式名 | 定格変位 | A | B | C | D | E | F | G | H | J | K | L | M | 反力(N) 始点/終点 | 質 量 |
|---|---|---|---|---|---|---|---|---|---|---|---|---|---|---|---|
| TCL-5FA | 5 mm | 106.5 | 65 | 41.5 | 52.8 | 49 | 14.1 | 14.5 | 11.5 | 25 | 20.5 | 8 | 11 | 0.5/1.6 | 155 g |
| TCL-10FA | 10 mm | 106.5 | 65 | 41.5 | 52.8 | 49 | 14.1 | 14.5 | 11.5 | 25 | 20.5 | 8 | 11 | 0.5/1.8 | 155 g |
| TCL-20FA | 20 mm | 129.5 | 88.5 | 41 | 66.5 | 62.5 | 20 | 14.5 | 12 | 24 | 27 | 8 | 10.5 | 0.6/2.0 | 170 g |
| TCL-30FA | 30 mm | 146.5 | 100.5 | 46 | 77.5 | 72.5 | 17.3 | 17.5 | 11 | 24 | 24.3 | 8 | 11 | 0.6/2.2 | 220 g |
※質量はケーブルを含みません。
仕様・規格
| 定格出力 | 1.5 mV/V±1 % |
|---|---|
| 直線性 | 0.5 %R.O. |
| ヒステリシス | 0.5 %R.O. |
| 繰り返し性 | 0.3 %R.O. |
| 推奨印加電圧 | 3 V 以内 |
| 許容印加電圧 | 4 V |
| 入力抵抗 | 350 Ω |
| 出力抵抗 | 350 Ω |
| 温度補償範囲 | 5~40 ℃ |
| 許容温度範囲 | 5~50 ℃ |
| 零点の温度特性 | 0.02 %R.O./℃ |
| 出力の温度特性 | 0.02 %/℃ |
| ケーブル | Φ4 mm-4芯シールド0.3 m、先端コネクタ付 |
| コネクタ | ジャック/PRC03-32A10-7F |